山形市「SAKURAI DESIGN平屋」 #1
- 櫻井建設

- 2025年4月3日
- 読了時間: 2分
更新日:13 時間前
こんにちは!山形市成沢西の工務店、櫻井建設です。
山形市内で1月中旬よりSAKURAI DESIGN平屋の新築工事を行っておりますので、 その様子をお届けします。
今回は土地の調査、地鎮祭、地盤調査、地盤改良工事について紹介します。

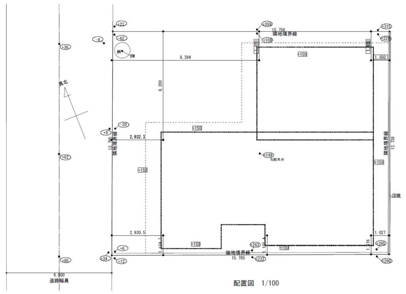
こちらは土地境界です。 街中で何気なく見るマークですが、自分の土地がどこまでかを示す重要な印です。

建築予定地の境界、ブロック塀、電柱など敷地内にある目印となるものを調べます。 敷地内の情報や隣接する道路の状況などを測量し図面に表記するとこのような配置図が仕上がります。 ここから間取りなど様々図面の作成が始まります。

間取りなどが決まると次は工事着工前の地鎮祭が始まります。
地鎮祭では、安全祈願やお施主様家族の繁栄のお祈りをさせていただきました。

こちらは穿初の儀(うがちぞめのぎ)の様子です。 お施主様が盛り砂に鍬を入れます。 地鎮祭も無事完了し、次は早速工事が始まります。
地鎮祭後は、地盤調査を行います。 建設予定地の地盤が軟弱なのか、強靭なのかを専用の機械と専門家により調査を行います。

調査結果により地盤の地耐力※が低い場合には、地盤改良工事を実施します。 ※地耐力:地盤が建物の重さに耐えられる能力 弊社では、L型偏心布基礎という特許工法を用いているため、地耐力が30kN/㎡を満たしているかをチェックします。 こちらの現場では、調査の結果から地盤改良工事を実施しました。 地盤改良工事では、環境パイルと呼ばれる天然木材を地盤補強材として施工します。 腐朽・シロアリ対策として防腐・防蟻処理を施した木材を使用しています。

環境パイルは圧入専用重機で施工していきます。

施工後の状況です。

地耐力が確認できる深さまで環境パイルを打込んでいくことで強靭な地盤を造ることで住宅が建っても沈まない地盤を作っていきます。そうすることで安心して過ごすことのできる住宅を提供することが出来ます。 地盤調査は、住宅を建ててからでは対応できない部分になりますので、住宅を建てる前に強靭な地盤であるかしっかり確認したうえで施工していきます。
次回は基礎工事の様子をお届けします。




コメント